Seal Management System - SMS

Seal Management System - SMS

Seal Management System - SMS
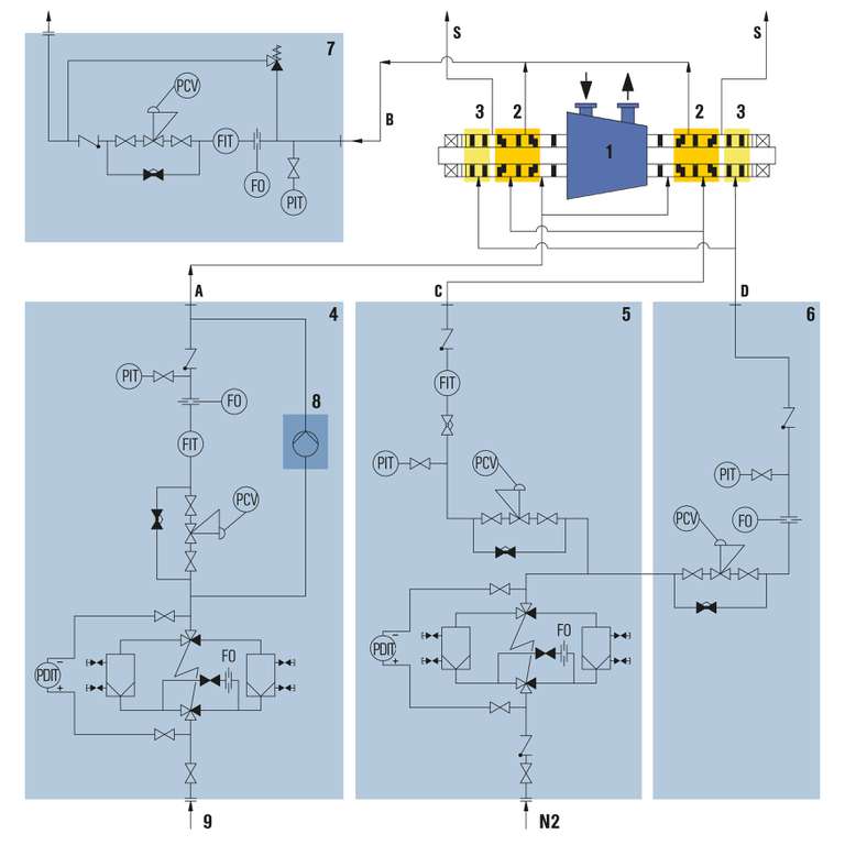
Example of a SMS gas supply system to supply a compressor with 2 tandem seals with intermedia labyrinth.

Item Description
1 Compressor
2 Main seal
3 Separation seal
4 Flushing gas module
5 Barrier gas module
6 Separating gas module
7 Leakage module
8 RoTechBooster module
9 Gas conditioning system IN
A Primary seal gas supply
B Primary vent
C Secondary seal gas supply
S Secondary vent
D Separation gas supply

Seal Management System - SMS

Features

The EagleBurgmann SMS is a customizable system based on four modules. It is used to continuously supply and monitor gas-lubricated mechanical seals.

Advantages

  • Reliable operation by supplying the seal with filtered and dry buffer gas, seal gas and separation gas.
  • Condition of the filters, control valves, instrumentation and nitrogen and process gas sources are checked at all times.
  • Constant monitoring for leakage and seal function.
  • Individually adaptable to suit operating conditions and safety requirements.
  • All current industrial standards, such as API and special operator requirements, can be fulfilled.
  • Seal Management System (SMS) available with additional gas conditioning skid.

Standards and approvals

  • Compliant to TA Luft (German Clean Air Act)

Functional description

Flushing gas module
Primary seal gas line or buffer gas line:
  • Supplying with filtered and dry flushing gas
  • Monitoring and regulating the flow rate and/or the (differential) pressure
  • Monitoring the gas filter
  • For dual seals, process gas is generally injected in front of the seal as a gas buffer. The actual seal is supplied with nitrogen.

Barrier gas module
Secondary seal gas line:
  • Supplying with filtered barrier gas (N2)
  • Monitoring and regulating the flow rate and/or the (differential) pressure
  • Monitoring the gas filter

Leakage module
(Primary) vent line:
  • Monitoring of the leakage from the seal and outputting an alarm when the leakage is out of expected range
  • Ensuring the leakage is directed to a flare or flare system

Separation gas
Separation gas line:
  • Supplying and monitoring the oil barrier seal with nitrogen or air
  • Monitoring and regulating the flow rate and/or the (differential) pressure

Notes

EagleBurgmann SMS are also available as complete conditioning skids with individually-adapted components, e.g.:

  • Booster
  • Cooler
  • Heater
  • Separator
  • Coalescence filter
  • Demister

Other equipment and information available upon request.



Product variants

SMS gas conditioning skid with EagleBurgmann RoTechBooster
Gas conditioning system (skid)

1 Gas IN
2 Cooler
3 Separator
4 Filter unit
5 Heater
6 RoTechBooster
7 Gas OUT - to flushing gas module

Similar products

GSS Gas supply system

Gas supply systems of the GSS range are specially designed for contact-free operated, gas-lubricated mechanical seals. The gas supplied from the supply network (e.g. air or nitrogen) is regulated/monitored by the GSS in accordance with the requirements of the seals being supplied. The GSS systems are equipped with alarm and/or switch-off points depending on specific safety requirements. Centralized monitoring of the measurement values is also possible on request.

Circulation in accordance with API 682 / ISO 21 049: Plan 72, Plan 74

RoTechBooster

  • Electric driven rotating design
  • Hermetically sealed
  • Delivers seal gas flow as defined by API 692
  • 24,000 hours of operation before required maintenance
  • Various models available, to meet specific requirements

RoTechBooster CX

  • Standard model
  • Plug-n-play
  • Compact, electric driven rotating design
  • Hermetically sealed
  • Delivers seal gas flow as defined by API 692
  • Continuous operation
Contact

Inquire about individual solutions

We develop and produce customer-specific special and individual solutions for every application.

Inquire now Discover reference projects
Back to the overview